驱动芯片在各种电力电子系统中有着广泛的应用,例如整流器、DC-DC变换器、逆变器和变频器等,其工作频率和占空比范围在不同系统中各不相同。
在常规整流器的PFC部分,根据输入电压的范围不同,其下管的占空比可以在0%到100%之间变化;
在常见的DC-DC变换器中,开机时通常会有缓启功能,其输出脉宽会从零开始逐步增大;另外,当输出负载或输入电压发生瞬态跳变时,输出会出现瞬态变化,系统环路会根据输出电压的变化来调整驱动器的输入脉宽,在调整过程中,可能出现极大或极小的输出脉宽;
在桥式逆变器中,当输出电压达到最大或最小峰值时,也可能出现极大和极小的输出脉宽。

图1 正负向窄脉宽
如果这些极大或极小脉宽没有得到有效限制,可能会影响驱动器的稳定工作;严重情况下甚至会导致驱动器或系统失效。
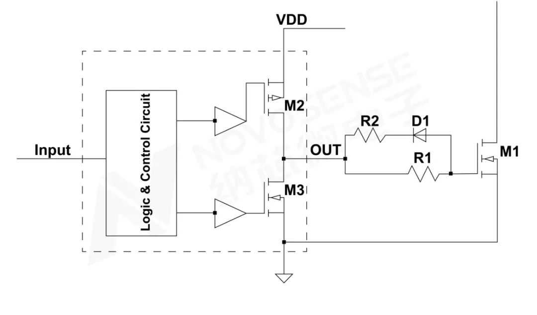
下图2所示,是一种常见的MOSFET驱动电路,虚线框内为一个输出通道的结构示意图,其输出采用PMOS+NMOS结构。驱动器在控制功率管MOSFET M1开通和关断时,会对功率MOSFET M1的栅极拉出和灌入电流。在窄脉宽开通情况下,驱动器收到关断指令会将MOSFET M1关断,此时MOSFET M1的开通过程还没有完成,驱动器的输出仍然维持在较高的电流,当该电流突然变化,在PCB走线寄生电感和驱动器内部寄生电感的共同作用下,会在驱动器的输出引脚产生很大的电压应力,该应力可能导致芯片失效。

图2 常见功率MOSFET驱动电路
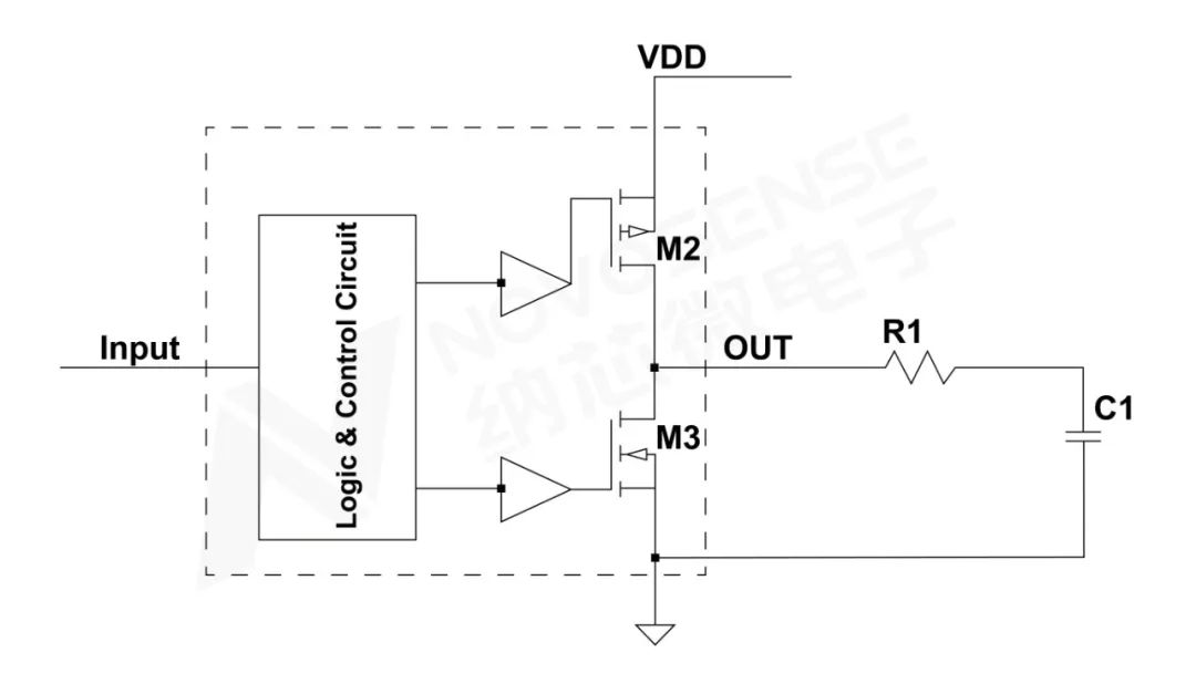
为了分析和验证,将MOSFET的门极输入电容采用电容C1来代替,如下图3所示。

图3 实验简化电路
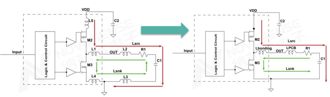
考虑到PCB和芯片内部的寄生电感,其等效电路如下图4所示,其中L1、L4和L5为芯片内部寄生电感(Lbonding),L2和L3为PCB上的寄生电感(LPCB)。

图4 等效电路
下面将对不同脉宽下驱动器的应力产生和影响进行简要介绍。
1)正向窄脉宽的状态分析
t0~t1期间,驱动芯片内部的NMOS M3导通,PMOS M2关断,OUT输出为低,此时驱动回路中的Isrc和Isnk电流均为零;
t1时刻,NMOS M3关断,PMOS M2导通,OUT输出拉高,给负载电容C1充电,Isnk电流为零;
t2时刻,PMOS M2关断,NMOS M3导通,OUT输出被拉低,此时驱动电流Isrc不为零。该电流在芯片内部寄生电感和PCB走线寄生电感的共同作用下,对PMOS M2和NMOS M3的寄生输出电容进行充放电,从而导致OUT出现负向过冲电压。驱动器内部输出Pad的电压应力可以用如下公式(1)进行估算。

其中各参数的定义如下:
VGate: MOSFET的栅极电压
Lbonding:IC内部的键合线产生的寄生电感,通常约为5nH
LPCB:驱动器输出引脚到栅极PCB引线的寄生电感
RG:MOSFET的栅极驱动电阻

表1 不同脉宽状态分析
2)正常脉宽的状态分析
t0~t1期间,驱动芯片内部NMOS M3导通,PMOS M2关断,OUT输出为低,驱动回路中Isrc和Isnk电流为零;
t1时刻,NMOS M3关断后,PMOS M2导通,OUT输出拉高,负载电容C1充电,当电容C1充满电后,Isrc恢复到0,Isnk电流保持为零;
t2时刻,PMOS M2关断后,NMOS M3开通,OUT输出被拉低,负载电容C1放电,当电容C1放电结束后,Isnk电流恢复到零;
OUT输出转换过程中,lsrc或Isnk都是由零上升或下降到峰值,然后恢复到零,OUT输出没有明显的正向或负向过冲电压。
3)负向窄脉宽的状态分析
t0~t1期间,驱动芯片内部PMOS M2导通,NMOS M3关断,OUT输出为高,驱动回路中Isrc和Isnk电流为零;
t1时刻,NMOS M3导通,OUT输出拉低,负载电容C1放电;
t2时刻,NMOS M3关断,PMOS3开通,OUT输出被拉高,此时驱动回路中电流Isnk不为零,该电流在芯片内部的寄生电感和PCB走线的寄生电感的共同作用下,对PMOS M2和NMOS M3的寄生输出电容进行充放电,导致OUT输出出现显著的正向过冲电压。
实际电路验证
为了验证窄脉宽的影响,本实验选择了一款最大额定电压为20V的驱动芯片,并按照上图3所示的实验电路进行测试。
实验中,芯片供电电压设置为15V,负载电容C1为27nF,输入信号频率为100kHz,脉冲宽度分别为20ns、2s和9.98s(对应20ns负向窄脉宽)。
在相同脉宽下,通过调整驱动电阻R1的大小,来改变开通和关断时的驱动电流和电流变化率,得到实验结果如下所示,图中黄色线条表示输入信号,绿色线条表示输出信号。

表2 实际电路验证结果
如上结果所示,当驱动电阻为1时,20ns的正向窄脉宽会导致-9V的负向过冲;同样,20ns的负向脉宽会导致27.4V的正向过冲,超过了芯片的额定值,会存在失效风险。正常脉宽下,OUT输出没有正负过冲现象。此外,还可以看出,在相同脉宽输入时,驱动电流越大,输出脚的正向或负向电压应力越高;因此减小驱动电流可以有效减小窄脉宽产生的正负过冲电压。
通过上面的分析和验证可以看出窄脉宽下过大的驱动电流会对输出应力产生严重影响。系统应用中为了避免驱动器输出应力超标,建议客户从以下几个方面进行优化和解决。
PCB布局时尽量将驱动器与功率管就近放置,减小驱动器输出引脚到功率管门极之间的走线电感。
驱动器的供电电容尽可能靠近芯片的电源引脚,且同层放置,减小因过孔和走线产生的寄生电感。
在系统应用中,对最大和最小驱动输出脉宽进行限制,确保开通和关断前一刻驱动输出电流已降为零,避免输出出现过大的正向或负向过冲电压。
适当调整驱动电阻,减小窄脉宽驱动回路中的电流和电流变化率。
